American Standard Portsmouth T420432.002 Bedienungsanleitung
American Standard Duschsystem Portsmouth T420432.002
Lies die bedienungsanleitung für American Standard Portsmouth T420432.002 (3 Seiten) kostenlos online; sie gehört zur Kategorie Duschsystem. Dieses Handbuch wurde von 6 Personen als hilfreich bewertet und erhielt im Schnitt 4.7 Sterne aus 5 Bewertungen. Hast du eine Frage zu American Standard Portsmouth T420432.002 oder möchtest du andere Nutzer dieses Produkts befragen? Stelle eine Frage
Seite 1/3

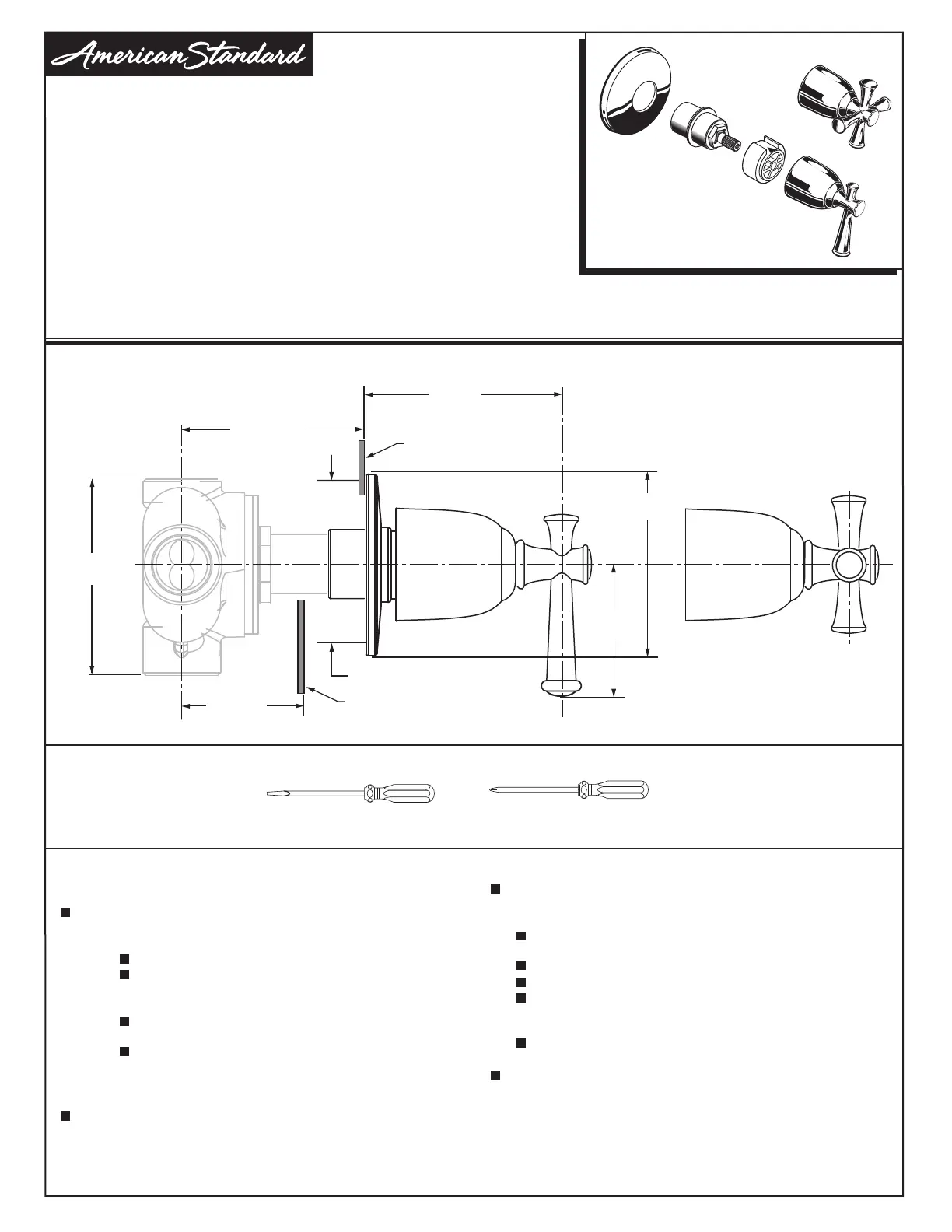
DIVERTER TRIM KIT
Installation
Instructions
M965032 REV.1.5 (4/15)
T42043X
Series
PORTSMOUTH
®
Thank you for selecting American-Standard...the
benchmark of fine quality for over 100 years.
To ensure that your installation proceeds smoothly--please
read these instructions carefully before you begin.
Certified to comply with ANSI A112.18.1
ROUGHING-IN DIMENSIONS
Recommended Tools
Flat Blade Screwdriver
Phillips Screwdriver
Remove as much surface dirt and film using clear
water and soft cotton cloth
(as described above).
Use any of the following to remove tough surface
film and build-up:
Mild liquid detergents
Clear ammonia free liquid glass cleaners
Non-acidic, non-abrasive gentle liquid or fully
dissolved powder cleansers mixed according to
manufacturers directions.
Non-abrasive liquid polishers
Once clean, rinse faucet again with clear water to
thoroughly remove cleaner or polish and blot dry with
a soft cotton cloth.
To keep your new faucet looking new, please follow
these simple care instructions:
DO: Simply rinse the faucet clean with clear water.
Dry the faucet with a soft cotton cloth.
DO NOT:
Do not use any abrasive cleaners, cloths, or
paper towels.
Do not use any cleaning agents containing
acids, polish abrasives, or harsh cleaners or
soaps.
Regular and routine cleaning will reduce the need for
heavy cleaning and polishing. If heavy cleaning is
required, the following procedures are recommended:
CARE INSTRUCTIONS:
Failure to follow these care instructions may
damage the Faucet's finish.
ALL CONNECTIONS 1/2" NPT
LEVER
HANDLE
CROSS
HANDLE
FINISHED
WALL
FINISHED
WALL
41mm MIN.
(1-5/8")
66mm MAX.
(2-5/8")
71mm
(2-3/4")
57mm HOLE SIZE
(2-1/4")
70mm
(2-5/8")
51mm
(2")
42mm
(1-11/16")
Produktspezifikationen
| Marke: | American Standard |
| Kategorie: | Duschsystem |
| Modell: | Portsmouth T420432.002 |
Brauchst du Hilfe?
Wenn Sie Hilfe mit American Standard Portsmouth T420432.002 benötigen, stellen Sie unten eine Frage und andere Benutzer werden Ihnen antworten
Bedienungsanleitung Duschsystem American Standard
28 Februar 2026
28 Februar 2026
Bedienungsanleitung Duschsystem
Neueste Bedienungsanleitung für -Kategorien-
31 März 2026
27 März 2026
25 März 2026
9 März 2026
8 März 2026
7 März 2026
5 März 2026
4 März 2026
2 März 2026