California Faucets K30-123 Bedienungsanleitung
Lies die bedienungsanleitung für California Faucets K30-123 (4 Seiten) kostenlos online; sie gehört zur Kategorie Nicht kategorisiert. Dieses Handbuch wurde von 10 Personen als hilfreich bewertet und erhielt im Schnitt 4.4 Sterne aus 9 Bewertungen. Hast du eine Frage zu California Faucets K30-123 oder möchtest du andere Nutzer dieses Produkts befragen? Stelle eine Frage
Seite 1/4

KXX-120S-XX_ii_230803 Pg 1
K10-120(S)-XX
K30-120(S)-XX / K30-123(S)-XX
K51-120(S)-XX / K51-123(S)-XX
K81-120(S)-XX / K81-123(S)-XX
Kitchen Bridge Faucet Installation Instructions
IMPORTANT: Read all instructions prior to installation and provide copy of instructions to consumer.
Operating Specifications:
Recommended Supply Pressure: 20 to 70 psi
*†
* Operating pressures between hot and cold supplies should vary no more than 30 psi.
† If water pressure exceeds 70 psi, install a Pressure-Reducing Valve (PRV).
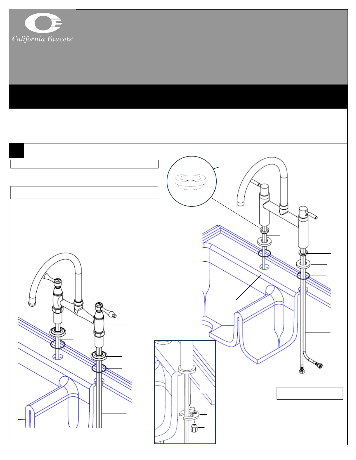
INSTALLING TO SINK/DECK
•Place BUSHING (2) and BASE (3) with O-RING (4)
onto BODY (1)
•
•Slide HOSES (5) through sink/deck hole
•From underside slide BRACKET (6) and NUT (7) onto
mounting ROD (1a); securely tighten NUT (7), repeat
other side
CALIFORNIA FAUCETS RECOMMENDS THAT ALL PLUMBING PRODUCTS BE INSTALLED
BY A LICENSED PROFESSIONAL
1
1
2
3
4
Ø1-3/8”
5
1a
2
K10 Faucet
1
1a
3
4
5
NOTE: If installing a K10 faucet, there will be no BUSHING (2) needed, see
below
NOTE: 2
nd
HOSE (5) on cold
side is for sidespray models only
NOTE: Sink/deck recommended hole size is Ø1-3/8”
6
7
1a
Produktspezifikationen
| Marke: | California Faucets |
| Kategorie: | Nicht kategorisiert |
| Modell: | K30-123 |
Brauchst du Hilfe?
Wenn Sie Hilfe mit California Faucets K30-123 benötigen, stellen Sie unten eine Frage und andere Benutzer werden Ihnen antworten
Bedienungsanleitung Nicht kategorisiert California Faucets
30 Januar 2026
30 Januar 2026
27 Januar 2026
27 Januar 2026
27 Januar 2026
26 Januar 2026
26 Januar 2026
Bedienungsanleitung Nicht kategorisiert
Neueste Bedienungsanleitung für -Kategorien-
20 März 2026
20 März 2026
20 März 2026
20 März 2026
20 März 2026
20 März 2026
20 März 2026
20 März 2026
20 März 2026