Gewiss GWD8237 Bedienungsanleitung
Gewiss Nicht kategorisiert GWD8237
Lies die bedienungsanleitung für Gewiss GWD8237 (4 Seiten) kostenlos online; sie gehört zur Kategorie Nicht kategorisiert. Dieses Handbuch wurde von 24 Personen als hilfreich bewertet und erhielt im Schnitt 4.3 Sterne aus 8 Bewertungen. Hast du eine Frage zu Gewiss GWD8237 oder möchtest du andere Nutzer dieses Produkts befragen? Stelle eine Frage
Seite 1/4

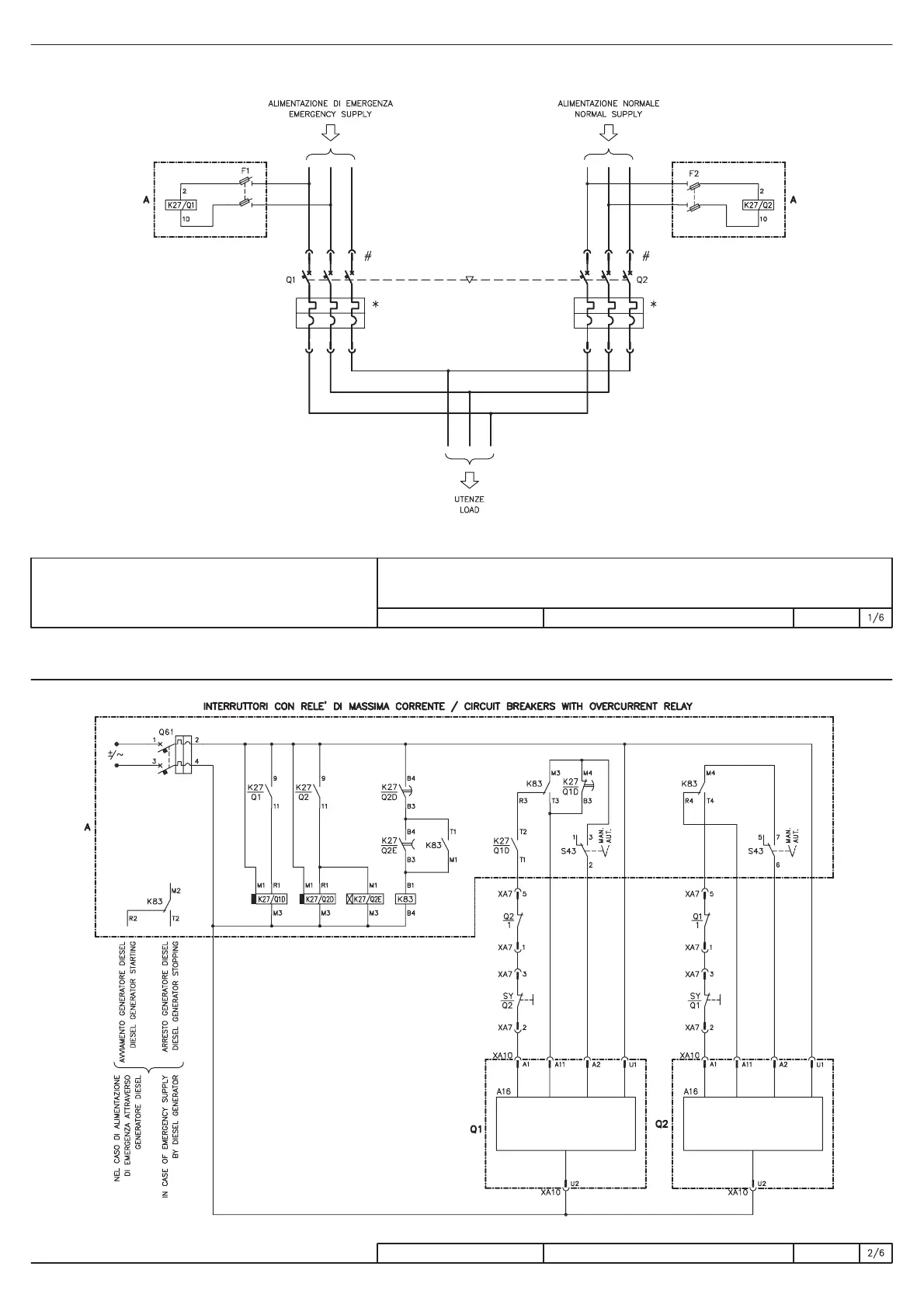
SCHEMA CIRCUITALE INDICATIVO PER LA COMMUTAZIONE AUTOMATICA DI
DUE INTERRUTTORI MTX 250
INDICATIVE CIRCUIT DIAGRAM FOR THE AUTOMATIC CHANGING OVER
OF TWO MTX 250
GEWISS
MTX 250
74279852 (1SDM000054R0.001-L2553)
GEWISS
MTX 250
74279852 (1SDM000054R0.001-L2553)
Produktspezifikationen
| Marke: | Gewiss |
| Kategorie: | Nicht kategorisiert |
| Modell: | GWD8237 |
Brauchst du Hilfe?
Wenn Sie Hilfe mit Gewiss GWD8237 benötigen, stellen Sie unten eine Frage und andere Benutzer werden Ihnen antworten
Bedienungsanleitung Nicht kategorisiert Gewiss
6 September 2025
6 September 2025
6 September 2025
6 September 2025
6 September 2025
6 September 2025
5 September 2025
5 September 2025
5 September 2025
5 September 2025
Bedienungsanleitung Nicht kategorisiert
Neueste Bedienungsanleitung für -Kategorien-
3 April 2026
3 April 2026
3 April 2026
3 April 2026
3 April 2026
3 April 2026
3 April 2026
3 April 2026
3 April 2026
3 April 2026