GW Instek GRF-3300S Bedienungsanleitung
Lies die bedienungsanleitung für GW Instek GRF-3300S (26 Seiten) kostenlos online; sie gehört zur Kategorie Messung. Dieses Handbuch wurde von 2 Personen als hilfreich bewertet und erhielt im Schnitt 5.0 Sterne aus 7 Bewertungen. Hast du eine Frage zu GW Instek GRF-3300S oder möchtest du andere Nutzer dieses Produkts befragen? Stelle eine Frage
Seite 1/26

16 Microstrip Line Filters
3
309
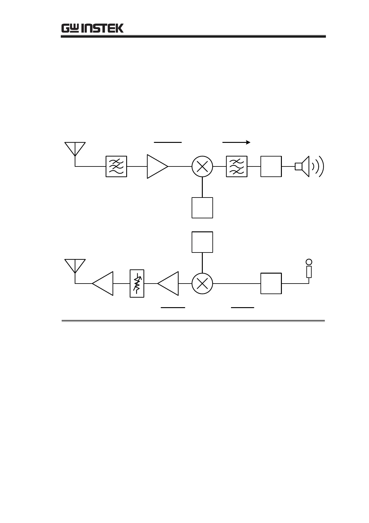
16MICROSTRIP LINE
FILTERS
PLL
De-
Mod
Mod
Receiver
Transmitter
Modulator
Mixer
Pre-
Amplifier
Attenuator
Power
Amplifier
Phase Locked Loop
AntennaLow-Pass
Filter
Low-Noise
Amplifier
Band-Pass
Filter
De-
Modulator
Audio
Output
Antenna
PLL
Mixer
Audio
Input
Objectives
1.Understand the basic concepts of microstrip line filters.
2.Learn how to design microstrip line filters.
3.Learn how to measure filter response.
* For generic filter and its applications, refer to Chapter 7.
Produktspezifikationen
| Marke: | GW Instek |
| Kategorie: | Messung |
| Modell: | GRF-3300S |
Brauchst du Hilfe?
Wenn Sie Hilfe mit GW Instek GRF-3300S benötigen, stellen Sie unten eine Frage und andere Benutzer werden Ihnen antworten
Bedienungsanleitung Messung GW Instek
20 Februar 2026
20 Februar 2026
20 Februar 2026
20 Februar 2026
20 Februar 2026
20 Februar 2026
20 Februar 2026
20 Februar 2026
20 Februar 2026
20 Februar 2026
Bedienungsanleitung Messung
Neueste Bedienungsanleitung für -Kategorien-
17 Februar 2026
14 Februar 2026
3 Februar 2026
3 Februar 2026
2 Februar 2026
2 Februar 2026
2 Februar 2026
2 Februar 2026
1 Februar 2026
1 Februar 2026