Haws TWBS.SHE Bedienungsanleitung
Haws Nicht kategorisiert TWBS.SHE
Lies die bedienungsanleitung für Haws TWBS.SHE (1 Seiten) kostenlos online; sie gehört zur Kategorie Nicht kategorisiert. Dieses Handbuch wurde von 2 Personen als hilfreich bewertet und erhielt im Schnitt 4.8 Sterne aus 4 Bewertungen. Hast du eine Frage zu Haws TWBS.SHE oder möchtest du andere Nutzer dieses Produkts befragen? Stelle eine Frage
Seite 1/1

APPROVED:
DRAWN:
PART NUMBER
DRAWING NO.
SCALE:
SHEETOF
REV
DRAWING TYPE:SIZE: A
BY:ECN NO.
DATE:
DATE:
ECN:
REVISED PER
CHK'D.:
Haws Corporation - All Rights Reserved.
HAWS and other trademarks used in these materials are the exclusive property of Haws Corporation.
C
R
MODEL(S)
1455 KLEPPE LANE
SPARKS, NEVADA 89431
(775) 359-4712 FAX (755) 359-7424
E-MAIL: HAWS@HAWSCO.COM
WEBSITE: WWW.HAWSCO.COM
THIS DOCUMENT IS TRUE AND CORRECT AT TIME OF PUBLICATION. CONTINUED PRODUCT IMPROVEMENTS
MAKE SPECIFICATIONS AND MEASUREMENTS SUBJECT TO CHANGE WITHOUT NOTICE.
VWC
8/13/10
15965A5
0002080226.D
TWBS.SHE
1:4
11
4396
HM
INSTALLATION
4887
2014
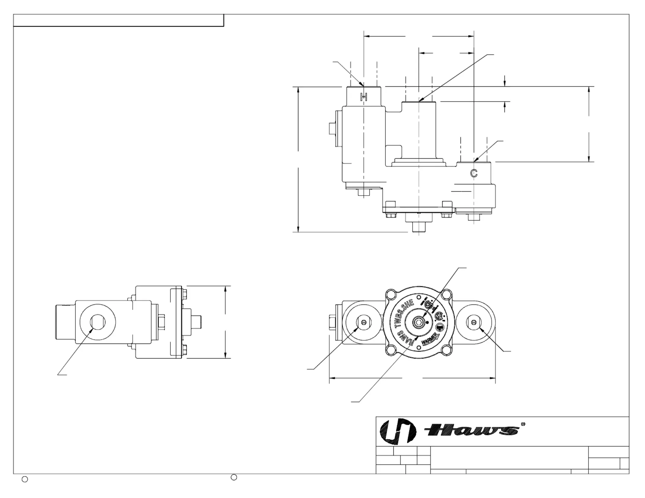
COLD WATER INLET
1 1/4" NPT(F)
HOT WATER INLET
1 1/4" NPT(F)
HIGH TEMPERATURE VALVE
HOT WATER
CHECK STOP
(REMOVE CAP TO
ACCESS SCREEN)
COLD WATER
CHECK STOP
(REMOVE CAP TO
ACCESS SCREEN)
MAIN TEMPERING VALVE
TEMPERED WATER OUTLET
1 1/4" NPT(F)
11"
4 3/4
9 5/8
3 5/8
7 1/4
TEMPERED WATER
TEMPERATURE
ADJUSTMENT SCREW
1"
5"
Produktspezifikationen
| Marke: | Haws |
| Kategorie: | Nicht kategorisiert |
| Modell: | TWBS.SHE |
Brauchst du Hilfe?
Wenn Sie Hilfe mit Haws TWBS.SHE benötigen, stellen Sie unten eine Frage und andere Benutzer werden Ihnen antworten
Bedienungsanleitung Nicht kategorisiert Haws
8 Februar 2026
8 Februar 2026
7 Februar 2026
2 Februar 2026
2 Februar 2026
1 Februar 2026
31 Januar 2026
31 Januar 2026
31 Januar 2026
31 Januar 2026
Bedienungsanleitung Nicht kategorisiert
Neueste Bedienungsanleitung für -Kategorien-
8 Februar 2026
8 Februar 2026
8 Februar 2026
8 Februar 2026
8 Februar 2026
8 Februar 2026
8 Februar 2026
8 Februar 2026
8 Februar 2026
8 Februar 2026