JET JHJ-8 Bedienungsanleitung
JET
Nicht kategorisiert
JHJ-8
Lies die bedienungsanleitung für JET JHJ-8 (1 Seiten) kostenlos online; sie gehört zur Kategorie Nicht kategorisiert. Dieses Handbuch wurde von 6 Personen als hilfreich bewertet und erhielt im Schnitt 4.5 Sterne aus 3.5 Bewertungen. Hast du eine Frage zu JET JHJ-8 oder möchtest du andere Nutzer dieses Produkts befragen? Stelle eine Frage
Seite 1/1

Hydraulic Bottle Jacks
JHJ-8 (stock no. 453308)
JHJ-12-1/2 (stock no. 453312)
JHJ-12-1/2L (stock no. 453313K)
JHJ-8 JHJ-12-1/2 JHJ-12-1/2L
Rated capacity 8 ton 12-1/2 ton 12-1/2 ton
Minimum height (in.) 7-7/8 9-1/2 6-3/4
Piston height (in.) 4-5/8 5-7/8 3-3/4
Head screw (h/in.) 2-3/4 3-1/8 3
Maximum height (in.) 15-1/2 18-1/2 13-3/8
Base size (LxW/in.) 6 x 3-1/2 6-1/2 x 4-1/8 6-1/2 x 4-1/8
Weight (lbs) 13 18 15
Part No. M-453308
Revision J1 04/2019
JET
a Division of JPW Industries, Inc.
427 New Sanford Rd.
LaVergne, Tennessee 37086
Ph.: 800-274-6848
www.jettools.com
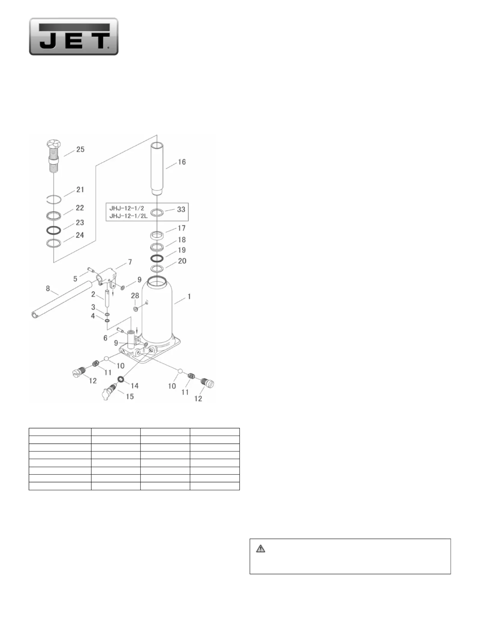
JHJ-8
Index No. Part No. Description
...................... JHJ008-RK ......... Repair Kit
2 .................... JHJ008-02 .......... Pump Plunger
3 .................... JHJ008-03 .......... Pump Backup Ring*
4 .................... JHJ008-04 .......... Pump Packing*
5 .................... JHJ008-05 .......... Pump Plunger Pin
6 .................... JHJ008-06 .......... Pump Stay Pin
7 .................... JHJ008-07 .......... Handle Socket Assembly
8 .................... JHJ008-08 .......... Handle 3pc.
9 .................... JHJ008-09 .......... Pin Stopper Ring
10 .................. SB-1/4 ................ Valve Ball
11 .................. JBJ5-3 ................ Spring
12 .................. JHJ008-12 .......... Valve Plug
14 .................. JHJ001-14 .......... Release Packing*
15 .................. JHJ001-15 .......... Release Assembly Old
...................... JHJ001-15A ........ Release Stem New
16 .................. JHJ008-16 .......... Ram
17 .................. JHJ008-17 .......... Ram Packing Seat
18 .................. JHJ008-18 .......... Ram Backup Ring*
19 .................. JHJ008-19 .......... Ram Packing*
20 .................. JHJ008-20 .......... Ram Packing Stopper
21 .................. JHJ008-21 .......... Snap Ring
22 .................. JHJ008-22 .......... Stuffing Ring
23 .................. JHJ008-23 .......... Cylinder Packing*
24 .................. JHJ008-24 .......... Stopper Ring
25 .................. JHJ008-25 .......... Adjusting Screw Assembly
28 .................. JHJ001-28 .......... Oil Plug*
JHJ-12-1/2 and JHJ-12-1/2L
Index No. Part No. Description
...................... JHJ012-RK ......... Repair Kit
2 .................... JHJ008-02 .......... Pump Plunger
3 .................... JHJ008-03 .......... Pump Backup Ring*
4 .................... JHJ008-04 .......... Pump Packing*
5 .................... JHJ008-05 .......... Pump Plunger Pin
6 .................... JHJ008-06 .......... Pump Stay Pin
7 .................... JHJ008-07 .......... Handle Socket
8 .................... JHJ008-08 .......... Handle 3pc.
...................... JHJ012-08LP ...... Handle 1pc (for low profile)
9 .................... JHJ008-09 .......... Pin Stopper Ring
10 .................. SB-1/4 ................ Valve Ball
11 .................. JBJ5-3 ................ Spring
12 .................. JHJ008-12 .......... Valve Plug
14 .................. JHJ001-14 .......... Release Packing*
15 .................. JHJ001-15 .......... Release Assembly Old
...................... JHJ001-15A ........ Release Stem New
16 .................. JHJ012-16 .......... Ram
...................... JHJ012-16LP ...... Ram (for low profile)
17 .................. JHJ012-17 .......... Ram Packing Seat
18 .................. JHJ012-18 .......... Ram Backup Ring*
19 .................. JHJ012-19 .......... Ram Packing*
20 .................. JHJ012-20 .......... Ram Packing Stopper
21 .................. JHJ012-21 .......... Snap Ring
22 .................. JHJ012-22 .......... Stuffing Ring
...................... JHJ012-22LP ...... Stuffing Ring (for low profile)
23 .................. JHJ012-23 .......... Cylinder Packing*
24 .................. JHJ012-24 .......... Stopper Ring
25 .................. JHJ012-25 .......... Adjusting Screw Assembly
...................... JHJ012-25LP ...... Adjusting Screw Assembly (for low profile)
28 .................. JHJ001-28 .......... Oil Plug*
33 .................. JHJ012-33 .......... Ring
* denotes part included in repair kit
WARNING: This product can expose you to chemicals including
styrene which is known to the State of California to cause cancer.
For more information go to http://www.p65warnings.ca.gov.
Produktspezifikationen
| Marke: | JET |
| Kategorie: | Nicht kategorisiert |
| Modell: | JHJ-8 |
Brauchst du Hilfe?
Wenn Sie Hilfe mit JET JHJ-8 benötigen, stellen Sie unten eine Frage und andere Benutzer werden Ihnen antworten
Bedienungsanleitung Nicht kategorisiert JET
21 Januar 2026
15 Dezember 2025
15 Dezember 2025
9 Dezember 2025
8 Dezember 2025
8 Dezember 2025
8 Dezember 2025
7 Dezember 2025
7 Dezember 2025
7 Dezember 2025
Bedienungsanleitung Nicht kategorisiert
- Dreadbox
- StrikeMaster
- Akaso
- RCBS
- Atlona
- Nexibo
- Giordani
- Doffler
- Yuede
- Baseus
- Cosatto
- JBC
- Perma
- Gamko
- Adam Hall
Neueste Bedienungsanleitung für -Kategorien-
21 Januar 2026
21 Januar 2026
21 Januar 2026
21 Januar 2026
21 Januar 2026
21 Januar 2026
21 Januar 2026
21 Januar 2026
21 Januar 2026
21 Januar 2026