Progress Lighting P5604 Bedienungsanleitung
Progress Lighting Beleuchtung P5604
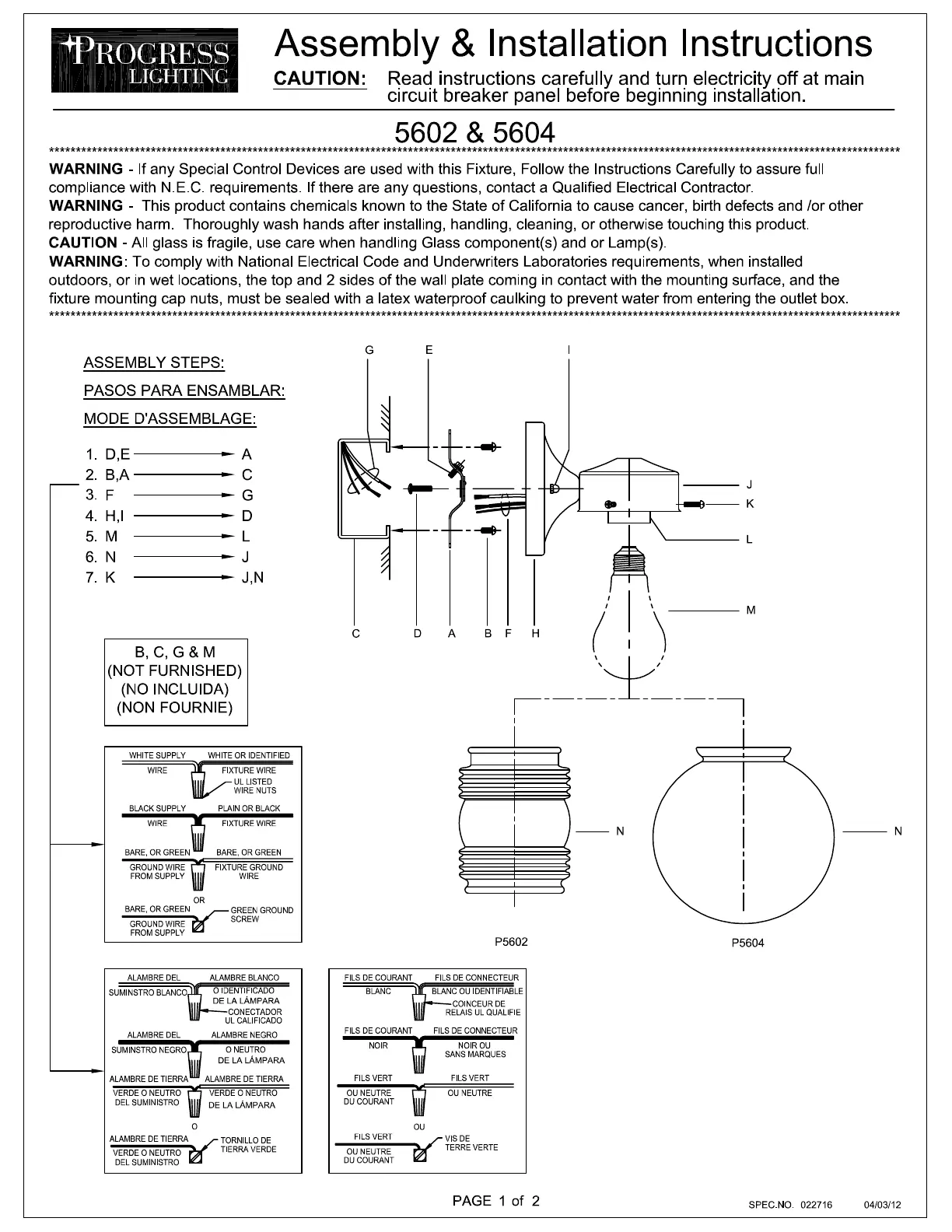
Lies die bedienungsanleitung für Progress Lighting P5604 (2 Seiten) kostenlos online; sie gehört zur Kategorie Beleuchtung. Dieses Handbuch wurde von 2 Personen als hilfreich bewertet und erhielt im Schnitt 4.1 Sterne aus 7 Bewertungen. Hast du eine Frage zu Progress Lighting P5604 oder möchtest du andere Nutzer dieses Produkts befragen? Stelle eine Frage
Seite 1/2

Produktspezifikationen
| Marke: | Progress Lighting |
| Kategorie: | Beleuchtung |
| Modell: | P5604 |
Brauchst du Hilfe?
Wenn Sie Hilfe mit Progress Lighting P5604 benötigen, stellen Sie unten eine Frage und andere Benutzer werden Ihnen antworten
Bedienungsanleitung Beleuchtung Progress Lighting
31 März 2026
31 März 2026
31 März 2026
31 März 2026
31 März 2026
31 März 2026
31 März 2026
31 März 2026
24 März 2026
22 März 2026
Bedienungsanleitung Beleuchtung
Neueste Bedienungsanleitung für -Kategorien-
31 März 2026
31 März 2026
31 März 2026
31 März 2026
31 März 2026
31 März 2026
31 März 2026
31 März 2026
31 März 2026
31 März 2026