Union Special 51400A Bedienungsanleitung
Union Special
Nähmaschine
51400A
Lies die bedienungsanleitung für Union Special 51400A (70 Seiten) kostenlos online; sie gehört zur Kategorie Nähmaschine. Dieses Handbuch wurde von 4 Personen als hilfreich bewertet und erhielt im Schnitt 4.3 Sterne aus 2.5 Bewertungen. Hast du eine Frage zu Union Special 51400A oder möchtest du andere Nutzer dieses Produkts befragen? Stelle eine Frage
Seite 1/70

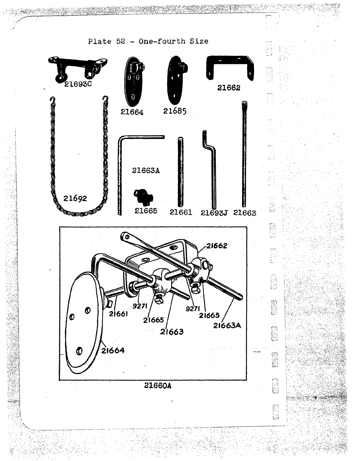
Plate
52 -
One-fourth
Size
21662
21664
21685
-.
;
21663A
"
21665
21661
21693J
21663
21660A
--
-~--
.------------
..
-
----
..
""':
,. -
~
. .
·.
' ;
......
. .
..
~:
.,._
.
·-····
··
...
-·
..
=--:_,_
•.
..
·:
.·.
:,.
·
..
......
~~-:
.';
.-
..
·
..
:·.·.-
....
'.
~
~~
.:·
..
-.~
-·
::
. ·
..
:
.
..
,
.,
..
·.'.·:
.
-~
.. . .
..
·.·.
·.:-
·
..
..
-:·
..
Produktspezifikationen
| Marke: | Union Special |
| Kategorie: | Nähmaschine |
| Modell: | 51400A |
Brauchst du Hilfe?
Wenn Sie Hilfe mit Union Special 51400A benötigen, stellen Sie unten eine Frage und andere Benutzer werden Ihnen antworten
Bedienungsanleitung Nähmaschine Union Special
5 Oktober 2025
5 Oktober 2025
5 Oktober 2025
5 Oktober 2025
5 Oktober 2025
5 Oktober 2025
4 Oktober 2025
4 Oktober 2025
4 Oktober 2025
4 Oktober 2025
Bedienungsanleitung Nähmaschine
- Kayser
- Husqvarna-Viking
- Prixton
- Juki
- Weasy
- Singer
- Victoria
- Jata
- Medion
- Anker-Bernette
- Feiyue
- Mistral
- Livoo
- Stirling
- Siemssen
Neueste Bedienungsanleitung für -Kategorien-
14 Januar 2026
12 Januar 2026
22 Dezember 2025
22 Dezember 2025
9 Dezember 2025
8 Dezember 2025
7 Dezember 2025
7 Dezember 2025
23 November 2025
4 November 2025