Union Special FS300 TC Bedienungsanleitung
Union Special Nähmaschine FS300 TC
Lies die bedienungsanleitung für Union Special FS300 TC (13 Seiten) kostenlos online; sie gehört zur Kategorie Nähmaschine. Dieses Handbuch wurde von 3 Personen als hilfreich bewertet und erhielt im Schnitt 4.9 Sterne aus 2 Bewertungen. Hast du eine Frage zu Union Special FS300 TC oder möchtest du andere Nutzer dieses Produkts befragen? Stelle eine Frage
Seite 1/13

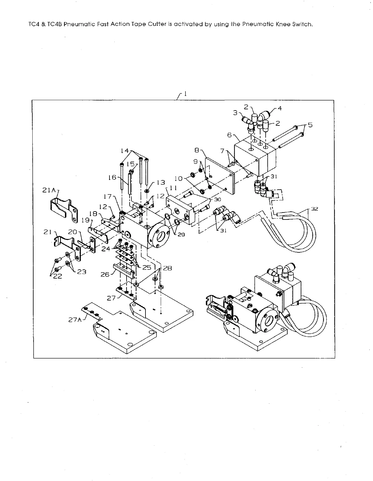
TC4 & TC4B
Pneumatic
Fast
Action
Tape
Cutter
is
activated
by
using
the
Pneumatic
Knee
Switch.
2
Produktspezifikationen
| Marke: | Union Special |
| Kategorie: | Nähmaschine |
| Modell: | FS300 TC |
Brauchst du Hilfe?
Wenn Sie Hilfe mit Union Special FS300 TC benötigen, stellen Sie unten eine Frage und andere Benutzer werden Ihnen antworten
Bedienungsanleitung Nähmaschine Union Special
5 Oktober 2025
5 Oktober 2025
5 Oktober 2025
5 Oktober 2025
5 Oktober 2025
5 Oktober 2025
4 Oktober 2025
4 Oktober 2025
4 Oktober 2025
4 Oktober 2025
Bedienungsanleitung Nähmaschine
Neueste Bedienungsanleitung für -Kategorien-
14 Januar 2026
12 Januar 2026
22 Dezember 2025
22 Dezember 2025
9 Dezember 2025
8 Dezember 2025
7 Dezember 2025
7 Dezember 2025
23 November 2025
4 November 2025