WAC Lighting R4ESDR Bedienungsanleitung
WAC Lighting Nicht kategorisiert R4ESDR
Lies die bedienungsanleitung für WAC Lighting R4ESDR (2 Seiten) kostenlos online; sie gehört zur Kategorie Nicht kategorisiert. Dieses Handbuch wurde von 3 Personen als hilfreich bewertet und erhielt im Schnitt 4.9 Sterne aus 6 Bewertungen. Hast du eine Frage zu WAC Lighting R4ESDR oder möchtest du andere Nutzer dieses Produkts befragen? Stelle eine Frage
Seite 1/2

LOTOS
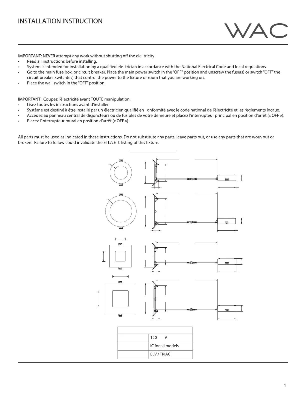
SAFETY INSTRUCTION
c
c
AVERTISSEMENT
CAUTION
OVERALL DIMENSIONS
29/32"
Ø5 1/16"
4 1/4"
4 1/4"
14 1/4"
29/32"
Ø4 1/16"
Ø6 1/16"
14 1/4"
1 3/8"
1 3/8"
Ø7 3/16"
Ø3 1/8"
Ø5 3/32"
SPECIFICATIONS
Input:
-277
Installation:
Dimming:
6 1/16"7 3/16"
29/32"
29/32"
4 1/16"5 1/16"
2 3/8"
1 3/8"
4 1/4"
1 3/8"
14 1/4"
14 1/4"
4 1/4"
2 3/8"
3 3/4"
3 3/4"
R4ERDR, R6ERDR, R4ESDR, R6ESDR
R4ERDR
R6ERDR
R4ESDR
R6ESDR
WAC Lighting retains the right to modify the design of our products at any time as part of the company's continuous improvement program.
SEP 2023
waclighting.com
Phone (800) 526.2588
Fax (800) 526.2585
Headquarters, East Manufacturing Facility
44 Harbor Park Drive
Port Washington, NY 11050
South East Manufacturing Facility
1600 Distribution Ct
Lithia Springs, GA 30122
Central Manufacturing Facility
1700 South J Elmer Freeway, Ste 100
Cedar Hill, TX 75104
West Manufacturing Facility
1750 S Archibald Ave
Ontario, CA 91761
Produktspezifikationen
| Marke: | WAC Lighting |
| Kategorie: | Nicht kategorisiert |
| Modell: | R4ESDR |
Brauchst du Hilfe?
Wenn Sie Hilfe mit WAC Lighting R4ESDR benötigen, stellen Sie unten eine Frage und andere Benutzer werden Ihnen antworten
Bedienungsanleitung Nicht kategorisiert WAC Lighting
7 Februar 2026
7 Februar 2026
7 Februar 2026
7 Februar 2026
7 Februar 2026
7 Februar 2026
7 Februar 2026
7 Februar 2026
7 Februar 2026
7 Februar 2026
Bedienungsanleitung Nicht kategorisiert
Neueste Bedienungsanleitung für -Kategorien-
7 Februar 2026
7 Februar 2026
7 Februar 2026
7 Februar 2026
7 Februar 2026
7 Februar 2026
7 Februar 2026
7 Februar 2026
7 Februar 2026
7 Februar 2026