James Allan Nova PWS8826ABZ Bedienungsanleitung
James Allan Beleuchtung Nova PWS8826ABZ
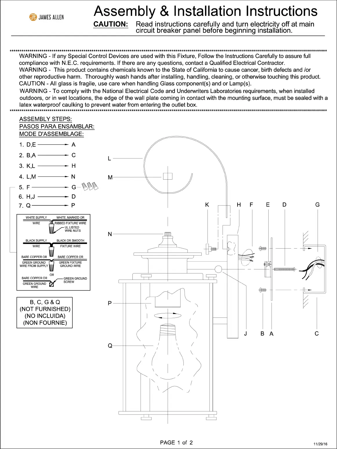
Lies die bedienungsanleitung für James Allan Nova PWS8826ABZ (2 Seiten) kostenlos online; sie gehört zur Kategorie Beleuchtung. Dieses Handbuch wurde von 2 Personen als hilfreich bewertet und erhielt im Schnitt 4.3 Sterne aus 3 Bewertungen. Hast du eine Frage zu James Allan Nova PWS8826ABZ oder möchtest du andere Nutzer dieses Produkts befragen? Stelle eine Frage
Seite 1/2

Produktspezifikationen
| Marke: | James Allan |
| Kategorie: | Beleuchtung |
| Modell: | Nova PWS8826ABZ |
Brauchst du Hilfe?
Wenn Sie Hilfe mit James Allan Nova PWS8826ABZ benötigen, stellen Sie unten eine Frage und andere Benutzer werden Ihnen antworten
Bedienungsanleitung Beleuchtung James Allan
28 März 2026
25 März 2026
25 März 2026
24 März 2026
23 März 2026
23 März 2026
21 März 2026
Bedienungsanleitung Beleuchtung
Neueste Bedienungsanleitung für -Kategorien-
27 März 2026
27 März 2026
27 März 2026
27 März 2026
27 März 2026
27 März 2026
27 März 2026
27 März 2026
27 März 2026
27 März 2026