Texas Instruments AM26LS31 Bedienungsanleitung
Texas Instruments Nicht kategorisiert AM26LS31
Lies die bedienungsanleitung für Texas Instruments AM26LS31 (34 Seiten) kostenlos online; sie gehört zur Kategorie Nicht kategorisiert. Dieses Handbuch wurde von 3 Personen als hilfreich bewertet und erhielt im Schnitt 4.7 Sterne aus 3 Bewertungen. Hast du eine Frage zu Texas Instruments AM26LS31 oder möchtest du andere Nutzer dieses Produkts befragen? Stelle eine Frage
Seite 1/34

AM26LS31 Quadruple Differential Line Driver
1 Features
•Meets or exceeds the requirements of ANSI TIA/
EIA-422-B and ITU
•Operates from a single 5V supply
•TTL-Compatible
•Complementary outputs
•High output impedance in power-off conditions
•Complementary output-enable inputs
•Available MIL-PRF-38535-qualified options (M):
All parameters are tested unless otherwise noted.
On all other products, production processing does
not necessarily include testing of all parameters.
2 Applications
•Motor encoders
•Field transmitters: pressure sensors and
temperature sensors
•Military and avionics imaging
•Temperature sensors or controllers using modbus
3 Description
The AM26LS31CN-E family of devices is a quadruple
complementary-output line driver designed to meet
the requirements of ANSI TIA/EIA-422-B and ITU
(formerly CCITT) Recommendation V.11. The 3-
state outputs have high-current capability for driving
balanced lines such as twisted-pair or parallel-wire
transmission lines, and are in the high-impedance
state in the power-off condition. The enable function
is common to all four drivers and offers the choice of
an active-high or active-low enable (G, G) input. Low-
power Schottky circuitry reduces power consumption
without sacrificing speed.
Package Information
PART NUMBERPACKAGE
(1)
PACKAGE SIZE
(2)
AM26LS31MFKLCCC (20)8.89mm × 8.89mm
AM26LS31MJCDIP (16)19.6mm × 6.92mm
AM26LS31MWCFP (16)10.3mm × 6.73mm
AM26LS31CDSOIC (16)9.9mm × 3.91mm
AM26LS31CDBSSOP (16)6.2mm × 5.3mm
AM26LS31CN-EPDIP (16)19.3mm × 6.35mm
AM26LS31xNSSO (16)10.3mm × 5.3mm
(1)For more information, see Section 11.
(2)The package size (length × width) is a nominal value and
includes pins, where applicable.
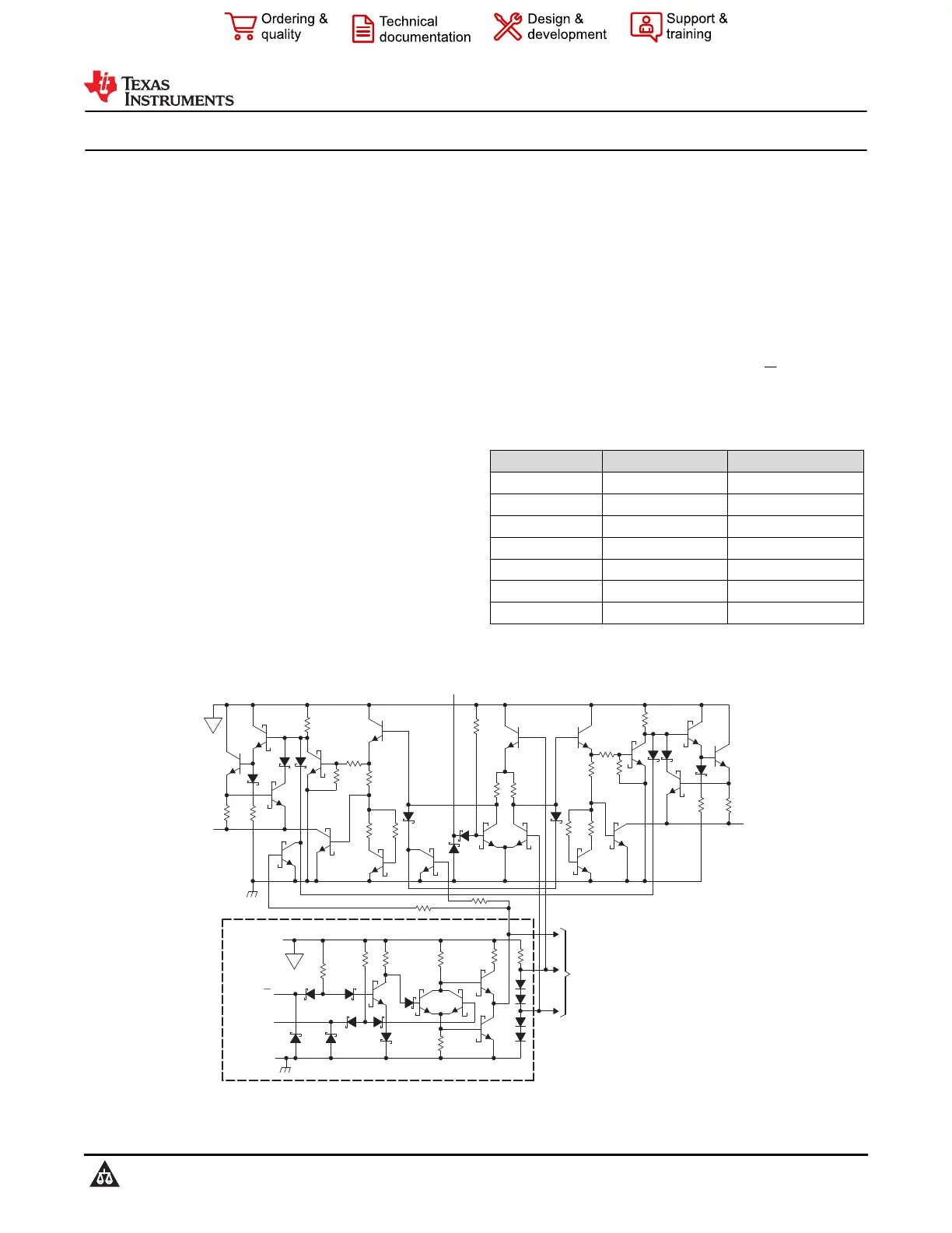
22 kΩ
To Three Other Drivers
Common toAll Four Drivers
GND
Enable G
Enable G
V
CC
V
V
OutputY
9Ω
InputA
22 kΩ
22 kΩ
All resistor values are nominal.
Output Z
9Ω
Copyright © 2016,Texas Instruments Incorporated
Schematic (Each Driver)
AM26LS31, AM26LS31M
SLLS114M – JANUARY 1979 – REVISED MARCH 2024
An IMPORTANT NOTICE at the end of this data sheet addresses availability, warranty, changes, use in safety-critical applications,
intellectual property matters and other important disclaimers. PRODUCTION DATA.
Produktspezifikationen
| Marke: | Texas Instruments |
| Kategorie: | Nicht kategorisiert |
| Modell: | AM26LS31 |
Brauchst du Hilfe?
Wenn Sie Hilfe mit Texas Instruments AM26LS31 benötigen, stellen Sie unten eine Frage und andere Benutzer werden Ihnen antworten
Bedienungsanleitung Nicht kategorisiert Texas Instruments
7 März 2026
7 März 2026
7 März 2026
7 März 2026
7 März 2026
7 März 2026
7 März 2026
7 März 2026
Bedienungsanleitung Nicht kategorisiert
Neueste Bedienungsanleitung für -Kategorien-
7 März 2026
7 März 2026
7 März 2026
7 März 2026
7 März 2026
7 März 2026
7 März 2026
7 März 2026
7 März 2026
7 März 2026