Texas Instruments LMV934-N-Q1 Bedienungsanleitung
Texas Instruments Nicht kategorisiert LMV934-N-Q1
Lies die bedienungsanleitung für Texas Instruments LMV934-N-Q1 (226 Seiten) kostenlos online; sie gehört zur Kategorie Nicht kategorisiert. Dieses Handbuch wurde von 2 Personen als hilfreich bewertet und erhielt im Schnitt 4.1 Sterne aus 7 Bewertungen. Hast du eine Frage zu Texas Instruments LMV934-N-Q1 oder möchtest du andere Nutzer dieses Produkts befragen? Stelle eine Frage
Seite 1/226

Product
Folder
Order
Now
Technical
Documents
Tools &
Software
Support &
Community
AnIMPORTANTNOTICEattheendofthisdatasheetaddressesavailability,warranty,changes,useinsafety-criticalapplications,
intellectualpropertymattersandotherimportantdisclaimers.PRODUCTIONDATA.
LMV931-N-Q1
LMV932-N-Q1
,
LMV934-N-Q1
SNOSD49–MAY2017
LMV93x-N-Q1AutomotiveSingle,Dual,Quad1.8-V,RRIOOperationalAmplifiers
1
1Features
1
•QualifiedforAutomotiveApplications
•AEC-Q100QualifiedWiththeFollowingResults:
–DeviceTemperatureGrade1:–40°Cto
+125°CAmbientOperatingTemperature
–DeviceHBMESDClassificationLevel02
–DeviceCDMESDClassificationLevelC5
•Typical1.8-VSupplyValues;UnlessOtherwise
Noted
•Specifiedat1.8V,2.7V,and5V
•OutputSwing
–With600-ΩLoad80mVfromRail
–With2-kΩLoad30mVfromRail
•V
CM
200mVBeyondRails
•SupplyCurrent(perChannel)100μA
•GainBandwidthProduct1.4MHz
•MaximumV
OS
4mV
•UltraTinyPackages
•TemperatureRange−40°Cto+125°C
•CreateaCustomDesignUsingtheLMV93x-N-Q1
WiththeWEBENCH
®
PowerDesigner
2Applications
•EngineControlUnits(ECU)
•BodyControlModules(BCM)
•BatteryManagementSystems(BMS)
•UltrasonicRangingandLIDAR
•OccupantDetection
•InfotainmentSystems
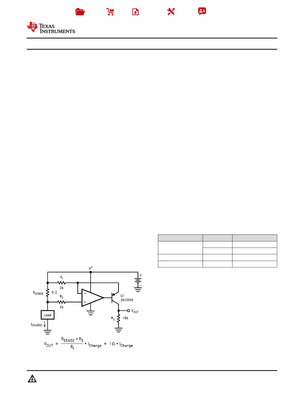
High-SideCurrentSenseAmplifier
3Description
TheLMV93x-N-Q1family(LMV931-N-Q1single,
LMV932-N-Q1dualandLMV934-N-Q1quad)are
low-voltage,low-poweroperationalamplifierswith
AEC-Q100Grade1qualificationforautomotive
applications.TheLMV93x-N-Q1familyoperatesfrom
1.8-Vto5.5-Vsupplyvoltagesandhaverail-to-rail
inputandoutput.Theinputcommon-modevoltage
extends200mVbeyondthesupplieswhichenables
userenhancedfunctionalitybeyondthesupply
voltagerange.Theoutputcanswingrail-to-rail
unloadedandwithin105mVfromtherailwith600-Ω
loadat1.8-Vsupply.TheLMV93x-N-Q1devicesare
optimizedtoworkat1.8V,whichmakethemidealfor
portabletwo-cell,battery-poweredsystemsand
single-cellLi-Ionsystems.
LMV93x-N-Q1devicesexhibitanexcellentspeed-
powerratio,achieving1.4-MHzgainbandwidth
productat1.8-Vsupplyvoltagewithverylowsupply
current.TheLMV93x-N-Q1devicescandrivea600-
Ωloadandupto1000-pFcapacitiveloadwith
minimalringing.ThesedevicesalsohaveahighDC
gainof101dB,makingthemsuitableforlow-
frequencyapplications.
ThesingleLMV93x-N-Q1isofferedinspace-saving
5-pinSC-70andSOT-23packages.Thedual
LMV932-N-Q1isina8-pinSOICpackageandthe
quadLMV934-N-Q1isina14-pinTSSOPpackage.
Thesesmallpackagesareidealsolutionsforarea
constrainedPCboardsinautomotiveapplications.
DeviceInformation
(1)
PARTNUMBERPACKAGEBODYSIZE(NOM)
LMV931-N-Q1
SOT-23(5)2.90mm×1.60mm
SC-70(5)2.00mm×1.25mm
LMV932-N-Q1SOIC(8)4.90mm×3.91mm
LMV934-N-Q1TSSOP(14)5.00mm×4.40mm
(1)Forallavailablepackages,seetheorderableaddendumat
theendofthedatasheet.
Produktspezifikationen
| Marke: | Texas Instruments |
| Kategorie: | Nicht kategorisiert |
| Modell: | LMV934-N-Q1 |
Brauchst du Hilfe?
Wenn Sie Hilfe mit Texas Instruments LMV934-N-Q1 benötigen, stellen Sie unten eine Frage und andere Benutzer werden Ihnen antworten
Bedienungsanleitung Nicht kategorisiert Texas Instruments
9 März 2026
9 März 2026
9 März 2026
9 März 2026
9 März 2026
9 März 2026
9 März 2026
9 März 2026
9 März 2026
Bedienungsanleitung Nicht kategorisiert
Neueste Bedienungsanleitung für -Kategorien-
9 März 2026
9 März 2026
9 März 2026
9 März 2026
9 März 2026
9 März 2026
9 März 2026
9 März 2026
9 März 2026