Texas Instruments LPV801 Bedienungsanleitung
Lies die bedienungsanleitung für Texas Instruments LPV801 (265 Seiten) kostenlos online; sie gehört zur Kategorie Nicht kategorisiert. Dieses Handbuch wurde von 2 Personen als hilfreich bewertet und erhielt im Schnitt 4.7 Sterne aus 6 Bewertungen. Hast du eine Frage zu Texas Instruments LPV801 oder möchtest du andere Nutzer dieses Produkts befragen? Stelle eine Frage
Seite 1/265

+
V
REF
+
V
REF
R
Load
LPV802a
LPV802b
CE
WE
RE
C
F
R
F
V
OUT
+
Output to
Comparator
LPV802a
IR
+
LPV802b
V
REF
Product
Folder
Sample &
Buy
Technical
Documents
Tools &
Software
Support &
Community
Reference
Design
AnIMPORTANTNOTICEattheendofthisdatasheetaddressesavailability,warranty,changes,useinsafety-criticalapplications,
intellectualpropertymattersandotherimportantdisclaimers.PRODUCTIONDATA.
LPV801,LPV802
SNOSCZ3B–AUGUST2016–REVISEDNOVEMBER2016
LPV801/LPV802320nANanopowerOperationalAmplifiers
1
1Features
1
•NanopowerSupplyCurrent:320nA/channel
•OffsetVoltage:3.5mV(max)
•TcVos:1µV/°C
•UnityGain-Bandwidth:8kHz
•WideSupplyRange:1.6Vto5.5V
•LowInputBiasCurrent:0.1pA
•Unity-GainStable
•Rail-to-RailOutput
•NoOutputReversals
•EMIProtection
•TemperatureRange:–40°Cto125°C
•IndustryStandardPackages:
–Singlein5-pinSOT-23
–Dualin8-pinVSSOP
2Applications
•COandO
2
GasDetectors(TIDA-00854)
•PIRMotionDetectors(TIDA-00489)
•IonizationSmokeAlarms
•Thermostats
•IoTRemoteSensors
•ActiveRFIDReadersandTags
•PortableMedicalEquipment
(1)Forallavailablepackages,seetheorderableaddendumat
theendofthedatasheet.
3Description
TheLPV801(single)andLPV802(dual)comprisea
familyofultra-low-poweroperationalamplifiersfor
sensingapplicationsinbatterypoweredwirelessand
lowpowerwiredequipment.With8kHzofbandwidth
from320nAofquiescentcurrent,theLPV80x
amplifiersminimizepowerconsumptioninequipment
suchasCOdetectors,smokedetectorsandPIR
motiondetectorswhereoperationalbattery-lifeis
critical.
Inadditiontobeingultra-low-power,theLPV80x
amplifiershaveCMOSinputstageswithtypically
femto-ampbiascurrents.TheLPV80xamplifiersalso
featureanegative-railsensinginputstageandarail-
to-railoutputstagethatiscapableofswingingwithin
millivoltsoftherails,maintainingthewidestdynamic
rangepossible.EMIprotectionisdesignedintothe
LPV80xinordertoreducesystemsensitivityto
unwantedRFsignalsfrommobilephones,WiFi,radio
transmittersandtagreaders.
DeviceInformation
(1)
PART
NUMBER
PACKAGEBODYSIZE
LPV801SOT-23(5)2.90mmx1.60mm
LPV802VSSOP(8)3.00mm×3.00mm
LPV8xxFamilyofNanopowerAmplifiers
PART
NUMBER
CHANNELS
SUPPLY
CURRENT
(Typ/Ch)
OFFSET
VOLTAGE
(Max)
LPV8011450nA3.5mV
LPV8022320nA3.5mV
LPV8111450nA370µV
LPV8122425nA300µV
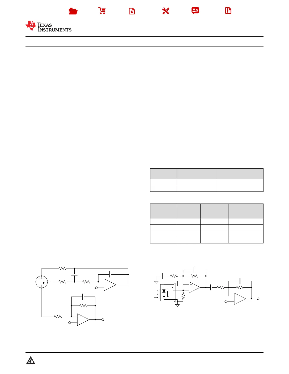
NanopowerAmplifierinElectrochemicalSensorNanopowerAmplifierinPIRMotionDetector
Produktspezifikationen
| Marke: | Texas Instruments |
| Kategorie: | Nicht kategorisiert |
| Modell: | LPV801 |
Brauchst du Hilfe?
Wenn Sie Hilfe mit Texas Instruments LPV801 benötigen, stellen Sie unten eine Frage und andere Benutzer werden Ihnen antworten
Bedienungsanleitung Nicht kategorisiert Texas Instruments
5 März 2026
5 März 2026
5 März 2026
5 März 2026
5 März 2026
5 März 2026
5 März 2026
5 März 2026
Bedienungsanleitung Nicht kategorisiert
Neueste Bedienungsanleitung für -Kategorien-
5 März 2026
5 März 2026
5 März 2026
5 März 2026
5 März 2026
5 März 2026
5 März 2026
5 März 2026
5 März 2026
5 März 2026