Texas Instruments MAX660 Bedienungsanleitung
Lies die bedienungsanleitung für Texas Instruments MAX660 (71 Seiten) kostenlos online; sie gehört zur Kategorie Nicht kategorisiert. Dieses Handbuch wurde von 2 Personen als hilfreich bewertet und erhielt im Schnitt 4.4 Sterne aus 4 Bewertungen. Hast du eine Frage zu Texas Instruments MAX660 oder möchtest du andere Nutzer dieses Produkts befragen? Stelle eine Frage
Seite 1/71

Product
Folder
Order
Now
Technical
Documents
Tools &
Software
Support &
Community
AnIMPORTANTNOTICEattheendofthisdatasheetaddressesavailability,warranty,changes,useinsafety-criticalapplications,
intellectualpropertymattersandotherimportantdisclaimers.PRODUCTIONDATA.
MAX660
SNOS405B–NOVEMBER1999–REVISEDMAY2017
MAX660SwitchedCapacitorVoltageConverter
1
1Features
1
•InvertsorDoublesInputSupplyVoltage
•NarrowSO-8Package
•6.5-ΩTypicalOutputResistance
•88%TypicalConversionEfficiencyat100mA
•SelectableOscillatorFrequency:10kHz/80kHz
2Applications
•LaptopComputers
•CellularPhones
•MedicalInstruments
•OperationalAmplifierPowerSupplies
•InterfacePowerSupplies
•HandheldInstruments
3Description
TheMAX660CMOScharge-pumpvoltageconverter
isaversatileunregulatedswitched-capacitorinverter
ordoubler.Operatingfromawide1.5-Vto5.5-V
supplyvoltage,theMAX660usestwolow-cost
capacitorstoprovide100mAofoutputcurrent
withoutthecost,sizeandEMIrelatedtoinductor-
basedconverters.Withanoperatingcurrentofonly
120µAandoperatingefficiencygreaterthan90%at
mostloads,theMAX660providesidealperformance
forbattery-poweredsystems.MAX660devicescan
beoperateddirectlyinparalleltoloweroutput
impedance,thusprovidingmorecurrentatagiven
voltage.
TheFC(frequencycontrol)pinselectsbetweena
nominal10-kHzor80-kHzoscillatorfrequency.The
oscillatorfrequencycanbeloweredbyaddingan
externalcapacitortotheOSCpin.Also,theOSCpin
maybeusedtodrivetheMAX660withanexternal
clockupto150kHz.Throughthesemethods,output
ripplefrequencyandharmonicsmaybecontrolled.
Additionally,theMAX660maybeconfiguredtodivide
apositiveinputvoltagepreciselyinhalf.Inthismode,
inputvoltagesashighas11Vmaybeused.
DeviceInformation
(1)
PARTNUMBERPACKAGEBODYSIZE(NOM)
MAX660SOIC(8)4.90mm×3.91mm
(1)Forallavailablepackages,seetheorderableaddendumat
theendofthedatasheet.
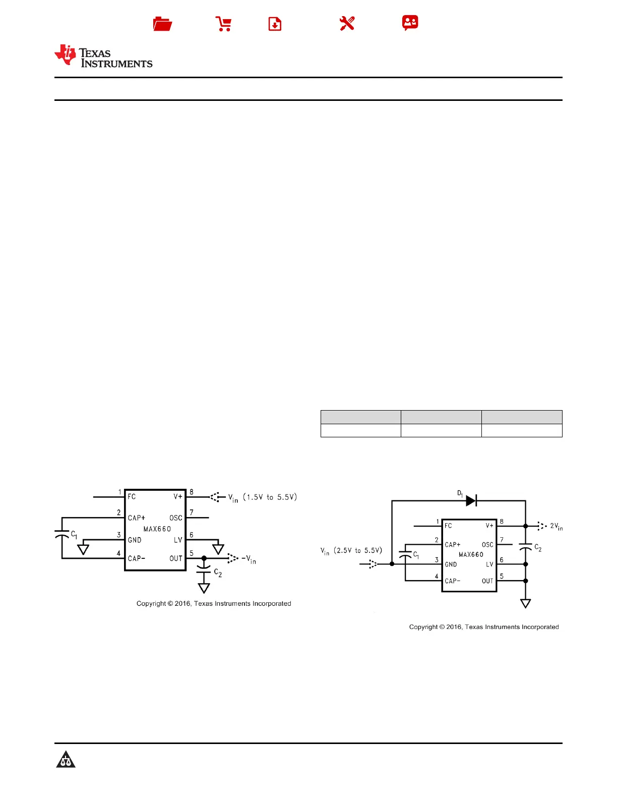
VoltageInverterPositiveVoltageDoubler
Produktspezifikationen
| Marke: | Texas Instruments |
| Kategorie: | Nicht kategorisiert |
| Modell: | MAX660 |
Brauchst du Hilfe?
Wenn Sie Hilfe mit Texas Instruments MAX660 benötigen, stellen Sie unten eine Frage und andere Benutzer werden Ihnen antworten
Bedienungsanleitung Nicht kategorisiert Texas Instruments
7 März 2026
7 März 2026
7 März 2026
7 März 2026
7 März 2026
7 März 2026
7 März 2026
7 März 2026
Bedienungsanleitung Nicht kategorisiert
Neueste Bedienungsanleitung für -Kategorien-
7 März 2026
7 März 2026
7 März 2026
7 März 2026
7 März 2026
7 März 2026
7 März 2026
7 März 2026
7 März 2026
7 März 2026