American Standard Colony Pro T075508.278 Bedienungsanleitung
American Standard Duschsystem Colony Pro T075508.278
Lies die bedienungsanleitung für American Standard Colony Pro T075508.278 (32 Seiten) kostenlos online; sie gehört zur Kategorie Duschsystem. Dieses Handbuch wurde von 3 Personen als hilfreich bewertet und erhielt im Schnitt 4.9 Sterne aus 8 Bewertungen. Hast du eine Frage zu American Standard Colony Pro T075508.278 oder möchtest du andere Nutzer dieses Produkts befragen? Stelle eine Frage
Seite 1/32

- 1 -
Product names listed herein are trademarks of AS America, Inc.
© AS America, Inc. 2016
Thank you for selecting American Standard...
the benchmark of fine quality for over 100 years.
To ensure that your installation proceeds smoothly-please
read these instructions carefully before you begin.
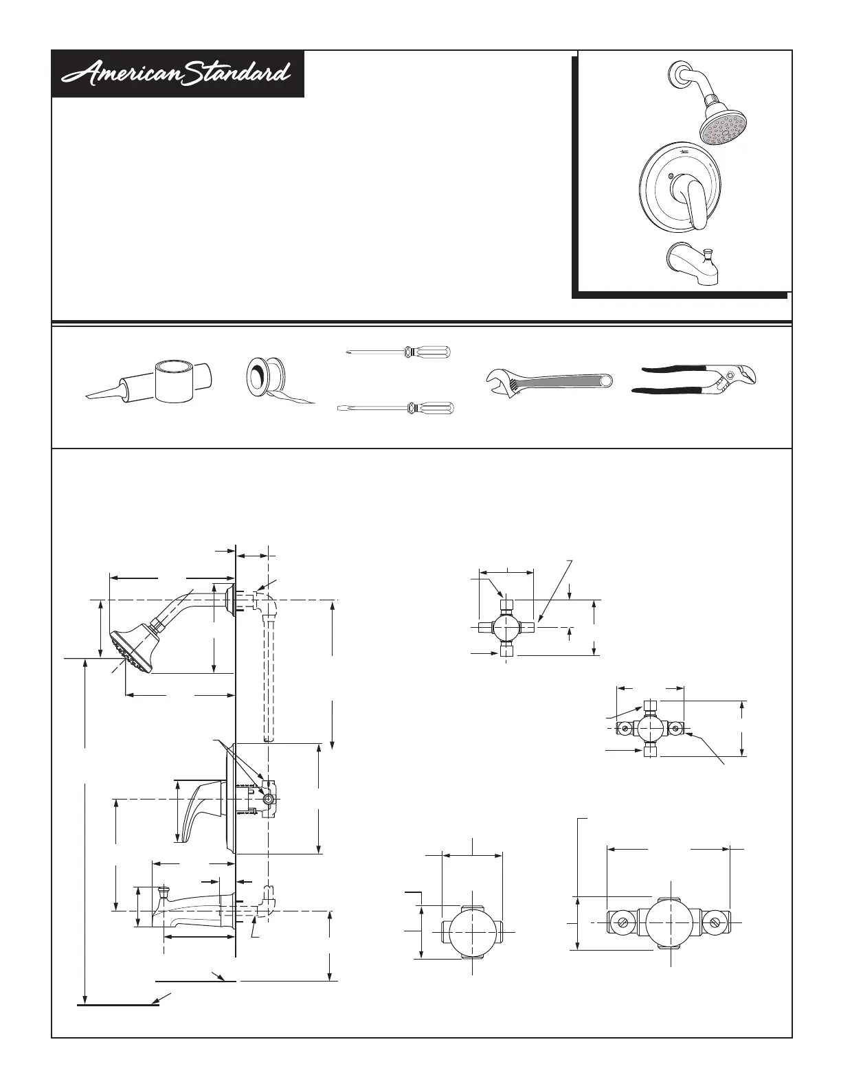
RECOMMENDED TOOLS
M965762 (8/16)
ROUGHING-IN DIMENSIONS
COLONY
®
PRO
TUB AND SHOWER
INSTALLATION
INSTRUCTIONS
T075.500
T075.507
T075.508
T075.507xH
T075.508xH
Plumbers’ Putty
or Caulking
Adjustable WrenchChannel Locks
Phillips Screwdriver
Certied to comply with ANSI A112.18.1M
• To assure proper positioning in relation to wall.
Note roughing-in dimensions.
OFF
Teon Tape
Flat Blade Screwdriver
FINISHED WALL
4"
TOP OF TUB RIM
BOTTOM OF TUB
74" (1879 mm)
FOR HEAD
CLEARANCE
4-1/16"
(99 mm)
2" TO 3"
(51 TO 76 mm)
18" (457 mm)
OPTIONAL
4-7/8"
(124 mm)
5-11/16"
(144 mm)
1/2" NPT
1/2" COPPER
FOR SLIP-ON
SPOUT
7-1/2"
(190 mm)
1-1/2"
4-3/16"
(106 mm)
7-1/2"
(190 mm)
8-9/16"
(217 mm)
OPTIONAL TO FINISHED
FLOOR USUALLY
BETWEEN 65'' AND 78"
(1651 AND 1981 mm)
"SEE ILLUSTRATIONS "
THREADED INLETS (STOPS)
INLETS
1/2" NPT
5-7/8"
(149 mm)
5-7/8"
(149 mm)
5-7/8"
(149 mm)
INLETS 1/2" NPT
OUTLETS
1/2" NPT
OUTLETS
1/2" NPT
3-3/8"
(86 mm)
3-3/8"
(86 mm)
THREADED INLETS
SHR. 1/2" NOM.
COPPER SWEAT
TUB 1/2" NOM.
COPPER SWEAT
4-1/16" (103 mm)
INLETS
4-1/16"
(103 mm)
4-1/16"
(103 mm)
INLETS
1/2" NOM.
COPPER
SWEAT
SHR. 1/2" NOM.
COPPER SWEAT
TUB 1/2" NOM.
COPPER SWEAT
2"
SWEAT
INLETS
SWEAT
INLETS (STOPS)
INLETS
1/2" NOM.
COPPER
SWEAT
6-1/8"
(155 mm)
2-7/8"
(72 mm)
Produktspezifikationen
| Marke: | American Standard |
| Kategorie: | Duschsystem |
| Modell: | Colony Pro T075508.278 |
Brauchst du Hilfe?
Wenn Sie Hilfe mit American Standard Colony Pro T075508.278 benötigen, stellen Sie unten eine Frage und andere Benutzer werden Ihnen antworten
Bedienungsanleitung Duschsystem American Standard
American Standard Colony Pro T075508.278 Bedienungsanleitung
21 Februar 2026
21 Februar 2026
21 Februar 2026
American Standard Times Square T184502.002 Bedienungsanleitung
21 Februar 2026
21 Februar 2026
21 Februar 2026
21 Februar 2026
American Standard Times Square T184700.002 Bedienungsanleitung
21 Februar 2026
21 Februar 2026
21 Februar 2026
Bedienungsanleitung Duschsystem
Neueste Bedienungsanleitung für -Kategorien-
18 Februar 2026
17 Februar 2026
17 Februar 2026
17 Februar 2026
16 Februar 2026
16 Februar 2026
15 Februar 2026
15 Februar 2026
15 Februar 2026
15 Februar 2026